Oszd meg!
Kábelátvezető gyűrű gyártás
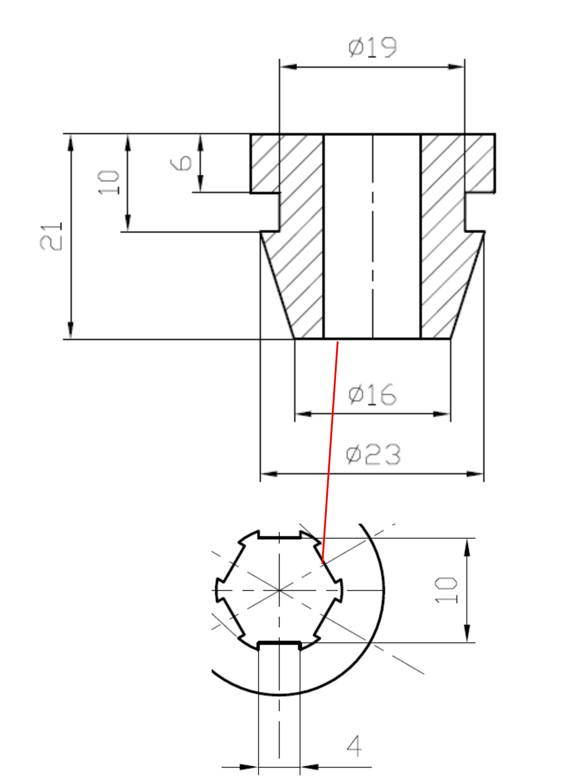
Az elektromos áramkör megfelelő lezárásához a kábeleket gyakran műanyag elemeken, vagy fémlemezeken keresztül kell vezetni.
Ez a helyzet például egy vezérlőszekrény belsejével, vagy egy jármű karosszériájának feldolgozásával. Ilyen esetben a kábelgyűrű, kábelátvezető fontos alkatrész.
Lehetővé teszi több, akár különböző átmérőjű kábel átvezetését a nyíláson anélkül, hogy kapcsolóérintkezőik nedvességgel, szennyeződéssel, vagy vegyszerekkel érintkezzenek.
Alkalmas gépjárművek kábel, fékcső rendszereinek kábelvédelmére, illetve más elektronikai rendszerekhez.
Szín: fekete
Anyag: műgumi időjárás és olajálló
Hőfok: - 40°C - +80 °C-ig
Keménység: 50 shore A
Csomagolás: 10 db/csomag
Megrendelés mezőbe amennyi számot beír annyiszor 10 darab!
Ezer darabos rendeléseknél kedvező árak, illetve más jellegű típusok sorozatgyártására is nyitottak vagyunk!
Kérje ajánlatunkat!
